Blog & Vita in the News
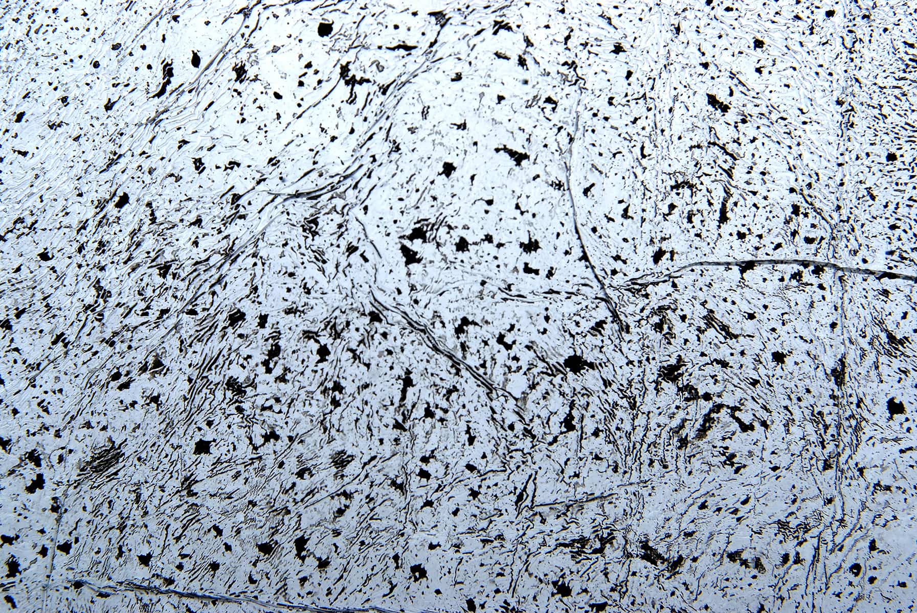
Grain Size in Metalworking: Microstructures of Strength
One of the most critical aspects of a metal’s performance is something you can’t see with the naked eye: grain size. So, what is grain size, and why does it matter so much in your final product?
Read More
What Is a Cannula? Types, Tips and Design Considerations
Explore the fundamentals of cannula design, including tip geometries, insertion characteristics and flow performance considerations. This guide breaks down key differences between cannulas and needles…
Read More
Why is Seamless Stainless Steel and Nickel Tubing Difficult to Manufacture at Small Diameters?
Discover the challenges of manufacturing seamless stainless steel and nickel tubing at small diameters. Learn why welded options might be more cost-effective and reliable for certain applications, offering…
Read More
Bright Hydrogen Annealing vs. Vacuum Annealing
Vita Needle is a leading stainless steel tubing manufacturer. Learn more about the differences between Bright Hydrogen Annealing and Vacuum Annealing today!
Read More
ASTM Tubing Standards: Which standard should I use?
Vita Needle is a hypodermic stainless steel small diameter tubing manufacturer! Learn more about ASTM Tubing Standards today!
Read MoreCategories
- Blog (24)
- Vita in the News (14)
